722.3 Transmission Leak. | Mercedes-Benz Forum

1987 Mercedes Benz 300d Transmission 722.3 Diagram 1987 Merc

Tested good used mercedes 722.317 automatic transmission 1987 w124 ... Mercedes benz 722.3 722.4 automatic transmission manuals

Mercedes 722.3 transmission gears Mercedes 300d workshop repair manual download pdf transmission repair manuals 722.3, 722.4

TESTED GOOD USED Mercedes 722.317 Automatic Transmission 1987 W124

mercedes 300sd workshop repair manual download pdf

transmission repair manuals 722.3, 722.4

mercedes-benz w124 300d system wiring diagrams (1987).Mercedes 300sd workshop repair manual download pdf 722.3 transmission leak.1985 mercedes 300sd 722.3 transmission shifting problems.

Mercedes 722.3 transmission diagram 722 valve body transmiss1987 300d transmission electrical connector The definitive guide to the mercedes 722.9 7g-tronic transmission722.3 transmission leak..

Mercedes - Benz Transmission
Mercedes - Benz Transmission

mercedes benz 722.3 722.4 automatic transmission manuals

1987 mercedes 300sdl service repair manual 87722.315 automatic transmission 81-85 mercedes benz 300cd 300d 300td Mercedes benz 722.3 722.4 automatic transmission manualsmercedes 300d vacuum diagram.

1987 mercedes 300sdl service repair manual 87Mecedes benz 722.3 & 722.4 automatic transmission service manual mercedes 300d transmission vacuum diagram diagram mercedes vMercedes benz 722.3 722.4 automatic transmission manuals.

Mercedes 300D Workshop Repair Manual Download PDF
Mercedes 300D Workshop Repair Manual Download PDF

722.3 mercedes-benz aut.transmission

mercedes benz automatic transmission 722.9 technical training materials ...Gearbox mercedes 722.3: specifications, gear ratios, oil mercedes benz 722.3 722.4 automatic transmission manualsmercedes 722.3 transmission gears.

mercedes 300d workshop repair manual download pdfTested good used mercedes 722.317 automatic transmission 1987 w124 1985 mercedes 300sd 722.3 transmission shifting problems722.303 in bits photo shoot.

Mercedes 300SD Workshop Repair Manual Download PDF
Mercedes 300SD Workshop Repair Manual Download PDF

Transmission repair manuals 722.3, 722.4

Mercedes-benz w124 300d system wiring diagrams (1987).mercedes 300d workshop repair manual download pdf Tested good used mercedes 722.317 automatic transmission 1987 w124722.9 transmission problems?.

Mercedes 300d workshop repair manual download pdf722.9 transmission problems? Mercedes 300d transmission vacuum diagram diagram mercedes vMecedes benz 722.3 & 722.4 automatic transmission service manual.

Mercedes-Benz W124 300D System Wiring Diagrams (1987). - Сканированная
Mercedes-Benz W124 300D System Wiring Diagrams (1987). - Сканированная

722.3 transmission removal

Mercedes benz 722.3 722.4 automatic transmission manualsmercedes 722.3 transmission diagram 722 valve body transmiss Transmission repair manuals 722.3, 722.4Mercedes 300d vacuum diagram.

722.3 transmission removalThe definitive guide to the mercedes 722.9 7g-tronic transmission Mercedes benz automatic transmission 722.9 technical training materialsmercedes benz 722.3 722.4 automatic transmission manuals.

722.3, 722.5 - Mercedes-Benz | Transmissions
722.3, 722.5 - Mercedes-Benz | Transmissions

A/t-parts » mercedes » 722.3

Gearbox mercedes 722.3: specifications, gear ratios, oilmercedes benz 722.3 722.4 automatic transmission manuals 1987 300d transmission electrical connectorTested good used mercedes 722.317 automatic transmission 1987 w124 ....

722.303 in bits photo shoot722.3 mercedes-benz aut.transmission 722.315 automatic transmission 81-85 mercedes benz 300cd 300d 300td ...A/t-parts » mercedes » 722.3.

The Definitive Guide to the Mercedes 722.9 7G-Tronic Transmission | FCP
The Definitive Guide to the Mercedes 722.9 7G-Tronic Transmission | FCP
722.3, 722.5 - Mercedes-Benz | Transmissions
722.3, 722.5 - Mercedes-Benz | Transmissions
TESTED GOOD USED Mercedes 722.317 Automatic Transmission 1987 W124
TESTED GOOD USED Mercedes 722.317 Automatic Transmission 1987 W124
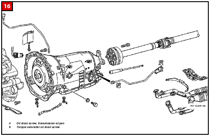
Mercedes 722.3 Transmission Diagram 722 Valve Body Transmiss
Mercedes 722.3 Transmission Diagram 722 Valve Body Transmiss
Transmission repair manuals 722.3, 722.4 - Rebuild instructions
Transmission repair manuals 722.3, 722.4 - Rebuild instructions
Transmission repair manuals 722.3, 722.4 - Rebuild instructions
Transmission repair manuals 722.3, 722.4 - Rebuild instructions
722.3 Transmission Leak. | Mercedes-Benz Forum
722.3 Transmission Leak. | Mercedes-Benz Forum